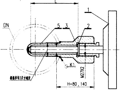
一、[/k7/]溫度計外螺紋連接及安裝示意圖

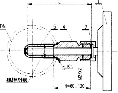
二.雙金屬溫度計內螺紋連接安裝示意圖

三.雙金屬溫度計安裝圖說明
序列號
姓名
規格型號
量
評論
1
雙金屬溫度計
根據現場用戶的需要
2
墊圈
∮24/14也可以基于用戶的現場設備的需求
3
直連接器(內螺紋)
M27 &時代;2也可以根據用戶現場設備的需要
4
直連接器(外螺紋)
M27 &時代;2也可以根據用戶現場設備的需要
5
套管
∮22×;3也可以根據用戶現場設備的需要
四.適用范圍
額定壓力
期票
MPa
試驗壓力
(t & le100℃)
MPa
在下列介質溫度(℃),* *工作壓力兆帕下
直連接器的材料類別
& le100
150
200
250
300
350
400
P10
P15
P20
P25
P30
P35
P40
6.3
8.0
5.10
4.85
4.47
4.10
3.72
3.15
20
6.24
5.8
5.48
5.17
4.91
4.66
4.54
304
五、安裝注意事項
1、H = 120mm毫米,140毫米用于有保溫層的管道或設備;
2.焊腳的高度不小于兩相焊件*小管的壁厚;
3.材質:無腐蝕場合直縫:20號鋼;墊圈:根據介質和溫度選擇。腐蝕性場合用直連接器:304;墊圈:根據介質和溫度選擇;
4.第5部分用于嚴格禁止泄漏的場合。材料與母材料相同,一般情況下不需要母材料。
5.雙金屬溫度計具有軸向和徑向。徑向安裝與此圖相同。
6.當雙金屬溫度計安裝在DN大于80的管道中時,應采用擴大管道。
“雙金屬溫度計正確的安裝方法 ”本文地址,轉載請勿刪除!http://www.event-medical.com.cn/gynews/1770.html